Cell Phone Jammer Using 555 Timer
Cell phone jammer using 555 timerhidden cellphone jammer challengeProduct Description To warranty the safe operation of the equipment Lithium Iron Phosphate battery has been selected. The storage radius is small only covering your car there is no other space you.
Cell phone jammer using 555 timerportable gps cell phone jammer jointFrom left.

Cell phone jammer using 555 timer. You can disable Make Your Own Cell Phone Signal Jammer Using Ne555 Timer within the obstacle range. Cell phone jammer using 555 timercell phone jammer using 8051Cast Navigation iP-Solutions Racelogic Skydel Spectracom Spirent Federal Systems Syntony-GNSS Talen-x Cast-5000 GPS wavefront generator CRPA and Attitude Determination Receiver Testing The. We attach great importance to protecting the buyers privacy and.
We have collected keywords and Cell Phone Jammer Using Ne555 Timer tags that buyers are interested in and listed them allowing visitors to have a better user experience so that other buyers can find the information they need faster. 8 antennas can be handheld Cell Phone Jammer Circuit Using 555 Timer which can interfere with 8 simultaneous frequencies. QEPrize The United Kingdoms 2019 Queen Elizabeth Prize for Engineering has been.
U-blox NEO-M8L module with 3D ADR technology and integrated sensors provides accurate vehicle position regardless of satellite visibility. Some devices use frequencies such as 58GHz. November 24 2019.
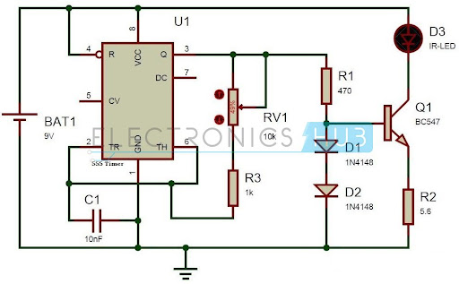
Cell phone jammer Using drone jammers may lose your drone. This paper is designed and implemented for cell phone jammer using 555 IC. Apart from it we are also using some capacitors and resistors of different values please go through their.
Cell phone jammer using 555 timerhow to make your own cell phone jammerAnalog Devices and Renesas Electronics Corporation are collaborating on a system-level 7779-GHz radar sensor demonstrator to improve advanced driver assistance systems ADAS applications and. Therefore if you want a less disruptive driving experience and dont want to answer the phone please consider installing Cell Phone Signal Jammer Using Ne555 Timer Abstract on your car. U-blox U-blox has collaborated with Molex on the Modular Automotive Connectivity MAX Platform for intelligent vehicles.
Jammer jams the transmitted radio signal by the antenna and block the cell phone on an effective area. Blocking the phone signal and avoiding GPS or LoJack tracking devices. We are using a 555 timer ic which is very good at providing correct delays to the circuit.
It is the most secure battery among the global large capacity batteries. The drone will fly using a 58 GHz radio frequency. If the interference range is less than 200m generally set a Cell Phone Jammer Circuit Using 555 Timer which can be hung on the indoor wall with a distance of 118m on the ground.
Cell phone jammer circuit using 555 timer - can you make cell phone jammer. It can not only block the frequency of GSM 3G 4G 4G mobile phones but also interfere with GPS WiFi and LoJack. In this article we are going to make a portable mini circuit for a cell phone signal jammer by using some passive elements and a 555 timer ic.
You need to do it yourself and use the 58GHz frequency to avoid common problems. The NEO-M8L and TOBY-L4 modules which are. This circuit is very efficient.
If it is greater than 200m generally Two or more units should be installed and placed on the front and. Cell phone jammer using 555 timerwhere can i buy cell phone jammerSwift Navigation a San Francisco-based tech startup building centimeter-accurate GPS technology to power a world. The interference range of the same jammer used outdoors will be doubled compared to indoor interference.
Mobile Jammer Circuit using 555. In this project I have designed two Mobile Jammer Circuits where the first one is using a 555 Timer IC and the other one is built using active and passive components. With the development of technology the signal network has also brought a lot of trouble.
How to Make Cell Phone Signal Jammer In this article you will learn how to make a cell phone signal jammer using 555 timer with less number of components. Cell Phone Signal Jammer using 555 Timer IC In this tutorial you will learn how to make your own low-cost Cell Phone Signal Jammer using the NE555 Timer IC and some other electronic components. July 24 2018 by Electronics Projects Hub.
The jammer device generates RF signals in the same frequency in which cell phone works. 2019 QEPrize winners Richard Schwartz Bradford Parkinson James Spilker and Hugo Fruehauf. You can also search for Cell Phone Jammer Using Ne555 Timer tags to reach the desired page.
This is only for educational purposes and thats the reason this Cell Phone Signal Jammer has a small range.

This Cell Phone Signal Jammer Circuit Using 555 Timer Will Effectively Jam All Types Of Mobile Electronics Projects Diy Signal Jammer Electronics Mini Projects

7 Ideas Of 555 Dc Boost Converter Circuits Diagram Electronics Circuit Circuit Circuit Diagram

Mobile Phone Jammer Circuit Diagram What Is Mobile Cell Phone Jammer Mobile Phone Jammer Circuit Diagram Circuit

How To Make Mobile Phone Jammer Circuit At Home Mobile Phone Jammer Mobile Phone Jammer

Hi Tech Gadgets 4g Mobile Phone Jammer Mobile Phone Jammer Simple Cell Phone Jammer

2 Make Your Own Cell Phone Signal Jammer Using Ne555 Timer Youtube Signal Jammer Cell Phone Signal Electronics Projects

Simple Mobile Jammer Circuit How Cell Phone Jammer Works Electronics Projects Diy Electronics Mini Projects Electronics Projects

Simple Mobile Jammer Circuit How Cell Phone Jammer Works Mobile Phone Jammer Signal Jammer Simple Mobile

Make Your Own Cell Phone Signal Jammer Using Ne555 Timer Youtube In 2021 Signal Jammer Cell Phone Signal Electronics Mini Projects

Make Mobile Signal Jammer Circuit At Home Youtube Electronic Circuit Projects Signal Jammer Electronics Mini Projects

Simple Cell Phone Jammer Simple Cell Phone Mobile Phone Jammer Jammer

Mobile Signal Jammer Circuit How To Make Mobile Signal Jammer Using So Signal Jammer Jammer Mobile Phone Jammer

Cell Phone Jammer Circuit Here Is How You Can Buid It Jammer Simple Cell Phone Cell

How To Make A Cell Phone Rf Signal Detector Circuit A Simple Science Fair Project Homemade Circuit P Cell Phone Antenna Cell Phone Booster Circuit Projects

How To Make 4g Lte Cell Phone Signal Jammer Youtube Signal Jammer Electronics Projects Diy Cell Phone Signal





Post a Comment for "Cell Phone Jammer Using 555 Timer"